Produsele noastre

Pompa manuala de vaselina cu filtru

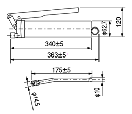
Pompa manuala de vaselina cu filtru

Model: P3-C

Volumul de descarcare 1,2ml / cursa
Presiune maxima 40MPa
Capacitate de vaselina 400g
Greutate 1.4 kg

Volum de descarcare 1.2ml/stroke
Presiune maxima 40MPa
Capacitate vaselina 400g
Greutate 1.4kg