Produsele noastre
Acasa
Produse
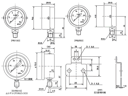
Manometru
Manometre cu indicator de referinta pentru montare vizuala
Model: PB100, PB250, GV50-G, GV50-R
Precizia ± 3% F.S
Interval de temperatura de -5 ℃ ~ 40 ℃
Materiale Burdon C6872T teava (C5191T over10MPa) Carcasa SPCC
| Acuratete | ±3%F.S |
| Scara temperatura | -5℃~40℃ |
| Material | Burdon pipe C6872T(over10MPa C5191T) Housing SPCC |
| Model | Cod produs | Scara de temperatura (MPa) | Fir |
| PB100 | 109146 | 10 | R1/8 |
| PB250 | 109147 | 25 | R1/8 |
| GV50-G | 209139 | 50 | G1/4 |
| GV50-R | 500649 | 50 | R1/4 |